登錄
首頁
關于長安
公司簡介
組織機構
公司證書
旗下公司
經營領域
新聞中心
集團要聞
通知公告
行業(yè)動態(tài)
媒體報道
工程展示
大型住宅
學校醫(yī)院
商業(yè)辦公
會展場館
市政工程
公路工程
水利工程
工業(yè)業(yè)績
設計業(yè)績
集團榮譽
工程榮譽
企業(yè)榮譽
科技成果
個人榮譽
企業(yè)文化
愿景使命
黨群工作
領導關懷
員工風采
社會責任
長安通訊
人力資源
人才理念
關愛員工
人才培訓
招賢納士
信息化平臺
項目管理
OA平臺
人資系統(tǒng)
內四庫
知識庫
聯(lián)系我們
聯(lián)系地址
服務監(jiān)督
集團要聞
通知公告
行業(yè)動態(tài)
媒體報道
新聞詳情
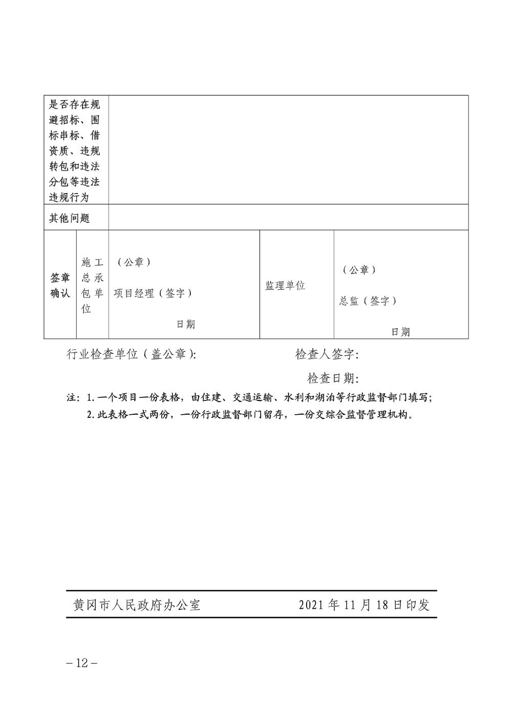
關于打擊圍標串標和轉包、違法分包專項行動的實施方案
時間:2021-11-25
友情鏈接:
中華人民共和國住房和城鄉(xiāng)建設部
國家工程建設標準化信息網
中國建筑業(yè)協(xié)會
中國施工企業(yè)管理協(xié)會
全國建筑市場監(jiān)管公共服務平臺
中國建造師網
中國人事考試網
中華建設網
湖北省住房和城鄉(xiāng)建設廳
湖北省建筑工程管理局
湖北省人事考試網
湖北省建筑市場監(jiān)督與誠信一體化工作平臺
湖北省建設工程質量安全協(xié)會
湖北省工商業(yè)聯(lián)合會
湖北省市場監(jiān)督管理局
湖北政務服務網
武漢市城鄉(xiāng)建設局
武漢市建筑工程質量監(jiān)督站
武漢建筑業(yè)協(xié)會
黃岡市住房和城鄉(xiāng)建設局
湖北省黃岡市英山縣溫泉鎮(zhèn)沿河西路7號
0713-7067986
1401107886@qq.com
鄂ICP備19010839號
鄂公安備42112402000061號
關于長安
公司簡介
組織機構
公司證書
旗下公司
經營領域
新聞中心
集團要聞
通知公告
行業(yè)動態(tài)
媒體報道
工程展示
大型住宅
學校醫(yī)院
商業(yè)辦公
會展場館
市政路橋
工業(yè)建筑
設計業(yè)績
集團榮譽
工程榮譽
企業(yè)榮譽
個人榮譽
企業(yè)文化
愿景使命
黨群工作
領導關懷
員工風采
社會責任
長安通訊
人力資源
人才理念
關愛員工
人才培訓
招賢納士
信息化平臺
項目管理
OA平臺
人資系統(tǒng)
內四庫
知識庫
聯(lián)系我們
聯(lián)系地址
服務監(jiān)督